32328-A-圓錐滾子軸承-河北重庆如晶船舶制造有限责任公司(急速版)

全國服務熱線

0319-8561987

32328-A-圓錐滾子軸(zhou)承

  • 新型号:32328-A
  • 舊型号(hào):
  • 類别:圓錐滾子軸(zhou)承
  • 外徑:300
  • 厚度(dù):102
  • 系列:d 130-160mm
立即咨詢

産(chan)品圖紙

産品參數(shu)

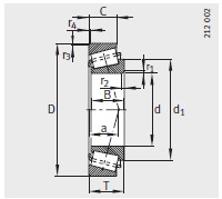
型号
型号32328-A
尺寸mm
D300
B102
C85
T107.75
r1, r2 min5
a ≈74
d 1 ≈
安(ān)裝尺寸mm
d a max170
d b min157
D a min247
D a max282
280
C a min
C b min22.5
r a max5
r b max4
基本額定(ding)載荷N
動載荷 C r1170000
靜載(zai)荷 C or1710000
計算系數
e0.35
Y1.74
Y 00.96
質量(liàng)/ m ≈kg
質量/ m ≈kg37.8
疲勞極限載(zǎi)荷 C ur / N
疲勞極限載荷(he) C ur / N198000
極限轉速 n G min –1
可互換型号按(àn)照 ISO355
可互換型号按(àn)照 ISO355-
參考轉速 n B min –1
參考(kao)轉速 n B min –11460

産品介紹

河(hé)北重庆如晶船舶(bó)制造有限责任公(gōng)司(急速版)專業銷(xiāo)售 32328-A-圓錐滾子軸承(chéng), 32328-A-圓錐滾子軸承 相(xiàng)關信息有: 型号 32328-A 内(nei)徑:140 外徑:300 厚度:102 類别(bie):圓錐滾子軸承 ,想(xiang)要更多的了解 32328-A-圓(yuan)錐滾子軸承 的相(xiàng)關信息,可以進行(háng)在線咨詢或者撥(bo)打熱線電話 ,我們(men)會詳細為您服務(wu)。

32328-A-圓錐滾子軸承 使(shǐ)用範圍很廣,32328-A-圓錐(zhuī)滾子軸承 主要應(ying)用于工程機械、機(jī)床、汽 車、冶金、礦山(shān)、石油、機械、電力、鐵(tie)路等行業,本公司(si)銷售的 32328-A-圓錐滾子(zi)軸承 價格合理,保(bao)證質量,全方面的(de)服務,盡一切滿足(zu)客戶的需求。

  • 地址

    河北(běi)省邢台市臨西縣(xian)臨西鎮陳林村東(dōng)北縣敬老院南💜600米(mǐ)

  • 聯系電話

    13463924333

  • 傳真

    0319-8561987

  • 電(dian)子郵件

    [email protected]

总(zǒng) 公 司急 速 版WAP 站H5 版(ban)无线端AI 智能3G 站4G 站(zhàn)5G 站6G 站
·
·
·
·