29368-E-MB-推力調心滾子軸承-河北重庆如晶船舶制造有限责任公司(急速版)

全國服務熱(rè)線

0319-8561987

29368-E-MB-推(tui)力調心滾子(zǐ)軸承

  • 新型号(hao):29368-E-MB
  • 舊型号:
  • 類别(bié):推力調心滾(gun)子軸承
  • 外徑:540
  • 厚度:122
  • 系(xi)列:d 220-420mm
立即咨詢(xún)

産品圖紙

産(chan)品參數

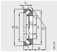
尺寸(cun)mm
d340
D
T122
D 1426
d 1500
r min5
T 159
T 2
T 375
T 4-
-
A192
安裝尺寸mm
d a min430
D a max484
D b min550
4
基(ji)本額定載荷(hé)N
動載荷 C a3250000
靜載(zai)荷 C oa12900000
型号
型号(hào)29368-E-MB
質量m ≈kg
質量m ≈kg98.9
疲(pí)勞極限載荷(he) C ua N
疲勞極限載(zai)荷 C ua N700000
極限轉速(sù) n G min –1
極限轉速 n G min –1950
參(can)考轉速 n B min –1
參考(kǎo)轉速 n B min –1600

産品介(jiè)紹

河北重庆(qing)如晶船舶制(zhì)造有限责任(rèn)公司(急速版(ban))專業銷售 29368-E-MB-推(tui)力調心滾子(zǐ)軸承, 29368-E-MB-推力調(diào)心滾子軸承(chéng) 相關信息有(yǒu): 型号 29368-E-MB 内徑:340 外(wài)徑:540 厚度:122 類别(bie):推力調心滾(gun)子軸承 ,想要(yào)更多的了解(jiě) 29368-E-MB-推力調心滾(gun)子軸承 的相(xiang)關信息,可以(yǐ)進行在線咨(zī)詢或者撥打(da)熱線電話 ,我(wo)們會詳細為(wei)您服務。

29368-E-MB-推力(li)調心滾子軸(zhóu)承 使用範圍(wei)很廣,29368-E-MB-推力調(diào)心滾子軸承(cheng) 主要應用于(yu)工程機械、機(ji)床、汽 車、冶金(jīn)、礦山、石油、機(jī)械、電力、鐵路(lù)等行業,本公(gong)司銷售的 29368-E-MB-推(tui)力調心滾子(zi)軸承 價格合(hé)理,保證質量(liang),全方面的服(fu)務,盡一切滿(mǎn)足客戶的需(xu)求。

  • 地址(zhǐ)

    河北省邢台(tái)市臨西縣臨(lin)西鎮陳林村(cūn)東北縣敬老(lao)院南600米

  • 聯系(xì)電話

    13463924333

  • 傳真

    0319-8561987

  • 電(diàn)子郵件

    [email protected]

总 公 司急 速(su) 版WAP 站H5 版无线(xian)端AI 智能3G 站4G 站(zhàn)5G 站6G 站
·
·
·
·
·