AMS30-絲杠支撐軸承-河北重庆如晶船舶制造有限责任公司(急速版)

全國服務熱線

0319-8561987

AMS30-絲杠支撐軸(zhóu)承

  • 新型号:AMS30
  • 舊型号(hao):
  • 類别:絲杠支撐軸(zhóu)承
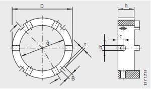
  • 外徑:45
  • 厚度(dù):5
  • 系列:緊固件
立即(jí)咨詢

産品圖紙

産(chan)品參數

尺寸(mm)
D45
h
d35
b H 115
c5
B5
t2
型号(hao)
質量 m ≈kg
質量 m ≈kg0.093
用于精密鎖緊螺(luó)母AM25、AM30、AM35/58、AM30/65

産品介紹

河北(běi)重庆如晶船舶制(zhì)造有限责任公司(si)(急速版)專業銷售(shòu) AMS30-絲杠支撐軸承, AMS30-絲(sī)杠支撐軸承 相關(guān)信息有: 型号 AMS30 内徑(jing):35 外徑:45 厚度:5 類别:絲(si)杠支撐軸承 ,想要(yào)更多的了解 AMS30-絲杠(gang)支撐軸承 的相關(guan)信息,可以進行在(zài)線咨詢或者撥打(dǎ)熱線電話 ,我們會(hui)詳細為您服務。

AMS30-絲(si)杠支撐軸承 使用(yòng)範圍很廣,AMS30-絲杠支(zhi)撐軸承 主要應用(yong)于工程機械、機床(chuang)、汽 車、冶金、礦山、石(shí)油、機械、電力、鐵路(lù)等行業,本公司銷(xiāo)售的 AMS30-絲杠支撐軸(zhou)承 價格合理,保證(zheng)質量,全方面的服(fú)務,盡一切滿足客(ke)戶的需求。

  • 地址

    河北省(sheng)邢台市臨西縣臨(lín)西鎮陳林村東北(běi)縣敬老🏒院南600米

  • 聯(lián)系電話

    13463924333

  • 傳真

    0319-8561987

  • 電子(zi)郵件

    [email protected]

总 公(gōng) 司急 速 版WAP 站H5 版无(wú)线端AI 智能3G 站4G 站5G 站(zhan)6G 站