ZKLN1034-2Z-絲杠支撐軸承-河北重庆如晶船舶制造有限责任公司(急速版)

全國服務熱(rè)線

0319-8561987

ZKLN1034-2Z-絲(sī)杠支撐軸承(cheng)

  • 新型号:ZKLN1034-2Z
  • 舊型(xíng)号:
  • 類别:絲杠(gang)支撐軸承
  • 外徑:34
  • 厚度(dù):20
  • 系列:非螺栓(shuān)安裝
立即咨(zi)詢

産品圖紙(zhi)

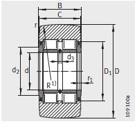
産品參數

型(xing)号
型号ZKLN1034-2Z
剛度(dù) 軸向 c aL N/μm
尺寸mm
d -0.00510
D -0.01034
B -0.2520
d 121
0.3
r 1 min0.6
安裝(zhuāng)尺寸mm
28
d a min14
基本額(é)定載荷 軸向(xiàng)
動載荷 C a N13400
靜載(zǎi)荷 C oa N18800
推薦的INA鎖(suo)緊螺母,需單(dan)獨訂購
ZM10
型号2
鎖緊 力(li)矩 3) MA Nm6
軸向 預緊(jin)力 N4891
質量m ≈kg
質量(liàng)m ≈kg0.1
極限 轉速 n G 脂(zhī) min –1
極限 轉速 n G 脂(zhī) min –18600
軸承 摩擦 力(lì)矩 M RL Nm
軸承 摩擦(ca) 力矩 M RL Nm0.06
傾覆 剛(gāng)度 c kL Nm/ mrad
傾覆 剛度(du) c kL Nm/ mrad25
軸向 跳動 4) μm
軸(zhou)向 跳動 4) μm2
質量(liàng) 慣性矩 1) M m kg · cm 2
質量(liang) 慣性矩 1) M m kg · cm 20.029

産品(pǐn)介紹

河北重(zhong)庆如晶船舶(bo)制造有限责(zé)任公司(急速(su)版)專業銷售(shòu) ZKLN1034-2Z-絲杠支撐軸(zhóu)承, ZKLN1034-2Z-絲杠支撐(cheng)軸承 相關信(xìn)息有: 型号 ZKLN1034-2Z 内(nèi)徑:10 外徑:34 厚度(du):20 類别:絲杠支(zhī)撐軸承 ,想要(yao)更多的了解(jie) ZKLN1034-2Z-絲杠支撐軸(zhou)承 的相關信(xin)息,可以進行(háng)在線咨詢或(huò)者撥打熱線(xian)電話 ,我們會(hui)詳細為您服(fú)務。

  • 地址(zhǐ)

    河北省邢台(tai)市臨西縣臨(lin)西鎮陳林村(cun)東北縣敬老(lao)院南600米

  • 聯系(xì)電話

    13463924333

  • 傳真

    0319-8561987

  • 電(diàn)子郵件

    [email protected]

总 公 司急 速(su) 版WAP 站H5 版无线(xiàn)端AI 智能3G 站4G 站(zhan)5G 站6G 站
·
·
·
·
·