6311-C3-軸承座-河北重庆如晶船舶制造有限责任公司(急速版)

全國服務熱線

0319-8561987

6311-C3-軸承座

  • 新型(xing)号:6311-C3
  • 舊型号:
  • 類别:軸(zhou)承座
  • 外徑:
  • 厚(hou)度:
  • 系列:d 50-70mm
立即咨詢(xun)

産品圖紙

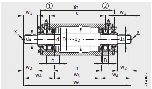
産品參(cān)數

型号
軸承單元(yuán)VRE311-A
軸承①
軸承②6311-C3
軸承座(zuo)VR311-A
VRW311-A
尺寸
d55
D120
a260
g 2
h 1158
d 265
d 448
w 2-
w 3110
288
w 6651
w 7-
b60
n300
m210
c25
h80
sM16
質量 m
軸承(chéng)座 ≈kg22
單元 ≈kg38.6
e337

産品介紹(shao)

河北重庆如晶船(chuán)舶制造有限责任(rèn)公司(急速版)專業(ye)銷售 6311-C3-軸承座, 6311-C3-軸承(cheng)座 相關信息有: 型(xing)号 6311-C3 内徑: 外徑: 厚度(dù): 類别:軸承座 ,想要(yao)更多的了解 6311-C3-軸承(cheng)座 的相關信息,可(kě)以進行在線咨詢(xún)或者撥打熱線電(diàn)話 ,我們會詳細為(wei)您服務。

  • 地址(zhi)

    河北省邢台市臨(lin)西縣臨西鎮陳林(lin)村東北縣敬老☎️院(yuan)南600米

  • 聯系電話

    13463924333

  • 傳(chuan)真

    0319-8561987

  • 電子郵件

    [email protected]

总 公 司急 速 版(ban)WAP 站H5 版无线端AI 智能(néng)3G 站4G 站5G 站6G 站
·
·
·
·
·
·
·