

| 型号 | |
|---|---|
| 型号 | NU314-E-TVP2 |
| X-life | |
| X-life | XL |
| 疲勞極(ji)限載荷 C ur / N | |
| 疲勞極限(xiàn)載荷 C ur / N | 30000 |
| 極限轉速 n G /min –1 | |
| 極(jí)限轉速 n G /min –1 | 4500 |
| 參考轉速(sù) n B /min –1 | |
| 參考轉速 n B /min –1 | 4550 |
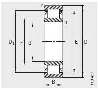
| 尺寸 mm | |
| d | 70 |
| D | 150 |
| B | 35 |
| r min | 2.1 |
| r 1 min | 2.1 |
| s 1) | 1.7 |
| E | 133 |
| F | 89 |
| D 1 ≈ | 126.8 |
| d 1 ≈ | - |
| 安(ān)裝尺寸 mm | |
| d a min | 82 |
| d a max | 87 |
| d b min | 92 |
| D a max | 138 |
| D b min | - |
| D c max | - |
| r a max | 2.1 |
| r a1 max | 2.1 |
| 基本額定(ding)載荷 N | |
| 動載荷 C r | 242000 |
| 靜載(zai)荷 C or | 222000 |
| 質量m ≈kg | |
| 質量m ≈kg | 2.79 |
河北重庆如(ru)晶船舶制造有限(xiàn)责任公司(急速版(bǎn))專業銷售 NU314-E-TVP2-圓柱滾(gǔn)子軸承, NU314-E-TVP2-圓柱滾子(zǐ)軸承 相關信息有(you): 型号 NU314-E-TVP2 内徑:70 外徑:150 厚(hou)度:35 類别:圓柱滾子(zi)軸承 ,想要更多的(de)了解 NU314-E-TVP2-圓柱滾子軸(zhóu)承 的相關信息,可(ke)以進行在線咨詢(xun)或者撥打熱線電(dian)話 ,我們會詳細為(wéi)您服務。
NU314-E-TVP2-圓柱滾子(zǐ)軸承 使用範圍很(hěn)廣,NU314-E-TVP2-圓柱滾子軸承(cheng) 主要應用于工程(chéng)機械、機床、汽 車、冶(yě)金、礦山、石油、機械(xie)、電力、鐵路等行業(ye),本公司銷售的 NU314-E-TVP2-圓(yuán)柱滾子軸承 價格(gé)合理,保證質量,全(quán)方面的服務,盡一(yi)切滿足客戶的需(xū)求。
地(dì)址
聯系電話(hua)
傳真
電子郵件
Copyright © 河北重庆如晶(jing)船舶制造有限责(zé)任公司(急速版) 版(ban)權所有 備案号:冀(ji)ICP備2021001625号-1
技術支持:華(hua)軸網


•
·•
•···›·›


